Se "venttiili" mikä tulee huohotinputkesta imuputkeen.Siis se musta..muovinen. Mitä hyötyä siitä on? Ja olisiko mahdollista että sen jättää pois?
Kuulutus
Collapse
No announcement yet.
1.8t huohotus
Collapse
X
-
Siellä kohti imuputkessa ei ole periaatteessa yhtään alipainetta, mutta käytännössä on hieman kun filtteri ahdistaa vähän.
Eli tuo rajoittaa imua kampikammiosta silloin kun ajetaan kaasu pohjassa, jolloin imuputkeen tulee eniten alipainetta (ilmaa virtaa eniten). Imusarjassahan on silloin ylipaine.
Comment
-
Laitetaas tähän. Itse otin tänään ton Pancake valven 034 129 101B pois ihan puhditus mielessä ja huomasin et puhaltaessa/imiessä toi ei rajoita yhtään mitään eli ilmeisesti sökö.. Eikös se pääse sit imemään huohotusöljyjä suoraan turbolle ja näin pölläyttele sinistä?? Voiko ton väliaikaisesti tulpata ennen kuin saa uuden osan?
Comment
-
Huohotusongelma 1.8t (APX) "ratkaistu"
Tere,
Missähän voisi olla vika, kun huohotus pukkaa puhdasta öljyä imuputkeen? Eli ainahan kone huohottaa, mutta tämä ei ole enää normaalia. Auto pöllyttelee putkesta kivasti sinistä. Kun ottaa ilmamassamittarin pois ja työntää sormet imuputkeen, niin sormiin jää "reilusti" puhdasta öljyä. Autosta hajosi turbo äskettäin ilman mitään (löydettyä) syytä, uudella ajeltu nyt noin 400km. Kun turboa vaihdettiin, niin silloin huomattiin aivan sama ilmiö, eli imuputkessa normaalia enemmin öljyä. Toki ahtoputki + kaikki muukin oli aivan öljyssä.
Ohivuodot on mitattu ja huohotus tutkittu. Kummassakaan ei ollut havaittavaa vikaa, eli ohivuodot oli normaalirajoissa ja huohotusputket eivät ole tukossa. Auto käy nätisti tyhjäkäyntiä ja toimii myös ylemmillä kierroksilla. Eli nyt alkaa loppua ideat, mistä vikaa etsiä.
Tuleeko kellään mieleen mitään vastaavaa tilannetta? Tai tuleeko kellään mieleen voiko olla yhtäläisyyttä turbon pakopuolen laakerien pettämisellä ja huohotuksella näiden tietojen varjossa? Uusi turbo ei ainakaan vielä pidä ääntä, eli siinä vika tuskin on ja vaikka olisikin, niin se tuskin "huohottaisi" öljyjä imuputkeen.
ps. Haulla etsiskelin, mutta en löytänyt vastausta.Viimeksi muokannut spadde; 10.8.2009, 15:16.
Comment
-
Itseasiassa ei ollenkaan niin tyhmä kysymys, mutta joo tämäkin asia tuli tarkastettua, eli ei ole liikaa öljyä ainakaan tikun mukaan.Oletko näinkin "tyhmän" asian tarkistanut että onko moottorissa öljyä liikaa??
Hmm, nyt en aivan ymmärtänyt? Eli huohotus menee imuputkeen, mutta mihin muualle "näkyvään" paikkaan huohotus voisi mennä? (anteeksi tyhmyyteni)Vai meneekö huohotus jonnekkin muualle kuin imu putkeen?
Comment
-
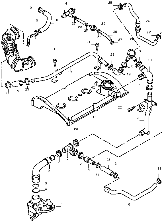
Itse olen pohtinut mikä ihmeen merkitys on venttiilillä (pressure regulating valve) mikä on juuri ennen imuputkea? numero 35
Nimen mukaan se on paineen säätöventtiili? Ihmettelen vaan, että miten se mitään painetta säätelee? Eli niin kun jossain aiemminkin todettu venttiili menee "kiinni" kun molemmilla puolilla on alipaine, mutta toisaalta se on kokoajan auki, koska sen "karassa" on reikä jota ei pysty sulkemaan. Voisiko venttiili estää paineiskuja menemästä huohotukseen, jotka voisi aiheutua siitä, kun bypass purkaa itsensä imuputkeen? Siis itselle ei muuta tule mieleen?
Ulkolaisia sivuja lukiessa useimmiten ongelmat huohotuksessa aiheuttaa joko tukkiutuneet letkut tai venttiilin numero 6 toimimattomuus.
Comment
-
Tuo on kyllä mystinen venttiili. Todennäköisesti venttiili menee "kiinni" kun se on vakuumi tilassa eli kun sitä imetään molemmilta puolita yhtä aikaa. Tökkää peukalo toiseen puoleen ja ime toiselta niin huomaat että jonkinlainen mäntä siellä sisässä liikkuu. Siinä karassahan on pieni reikä joka on luultavasti kokoajan auki, eli liekkö venttiilin tarkoitus on jollain tavalla tasoittaa ilmavirtaa huohotusjärjestelmässä? Joku viisaampi kertokoon, kun tämä kiinnostaa itseänikin.
Comment
-
Ehdottomasti kannattaa! Itse vaihdoin kyseisen venttiilin eilen, kun auto tuppasi huohottamaan aivan tolkuttomasti. Muutamia kertoja vanhaa venttiiliä imemällä ja puhaltamalla sain venttiilin jumiin (tarkoittaa käytännössä ahtopaineet huohotusjärjestelmään), joten oma huohotusongelma oli toivottavasti siinä. Ja kun tuo venttiili ei ole hinnalla pilattu ainakaan Tepon kautta :D Ja samalla kannattaa putsailla kaikki huohotusputket, ettei ole tukoksia.
Itse testaan nyt oman auton huohotusta siten, että laitoin auton huohottamaan pulloon imuputken sijaan. Saa nähdä tuleeko sinne öljyä vai ei. Toivotaan tovotaan... :)
Comment
-
Luultavasti tyhmä kysymys, mutta eikai huohotus ole missään kohtaa yhteydessä painepuolelle? Vai mitä tuolla em. lauseella tarkoitit?Alkuperäinen kirjoittaja spadde Näytä viestiMuutamia kertoja vanhaa venttiiliä imemällä ja puhaltamalla sain venttiilin jumiin (tarkoittaa käytännössä ahtopaineet huohotusjärjestelmään), joten oma huohotusongelma oli toivottavasti siinä.
Omasta vm. 98 AEB:stä irroittelin viikonloppuna välijäähyn alaletkun katsoakseni mitä tuo on syönyt, öljyä lorahti ehkä max muutama senttilitra. Normaalia? Tuskin tuota on vähään aikaan (=ikinä) availtu, kun klemmarikin katkesi lähes kosketuksesta.
Comment
-
Joissain tulee öljyt talvisin pihalle öljytikusta tms mistä vain pääseekään, jos huohottimen kautta ei pääse kampikammiosta paineet veke.
Pullot jne varmasti toimii, kunhan niistäkin paine pääsee purkautumaan.
Uskoisin, että huohotin letkussa ainakin takaisku, koska ahtojahan ei haluta kampikammioon.
Huohotin menee ainakin meikän autoissa turbon jälkeen ahtoputkeen.
Comment
-
Taitaa olla ihan normalia että sinne välijäähyn letkuun vähän huohottaa. Kunhan ei nyt montaa litra löydy sieltä :)Alkuperäinen kirjoittaja alpi Näytä viestiLuultavasti tyhmä kysymys, mutta eikai huohotus ole missään kohtaa yhteydessä painepuolelle? Vai mitä tuolla em. lauseella tarkoitit?
Omasta vm. 98 AEB:stä irroittelin viikonloppuna välijäähyn alaletkun katsoakseni mitä tuo on syönyt, öljyä lorahti ehkä max muutama senttilitra. Normaalia? Tuskin tuota on vähään aikaan (=ikinä) availtu, kun klemmarikin katkesi lähes kosketuksesta.
Comment
-
Ainakin oma autoni "huohottaa" imusarjaan alipaineella. Tämä tarkoittaa sitä, että kun on kyse ahdetusta autosta niin toki huohotus on yhteydessä painepuolelle, eli imusarjaan. Eli venttiili josta keskustelimme (nimeltä PCV, kuvassa numero 6) estää ahtopaineen menemästä huohotusjärjestelmään. Eli letku numero 10 menee suoraan imusarjaan, jossa tietääkseni "saattaa" joskus ilmetä myös hieman ylipainetta, jos autossa sattuu ahdin olemaan. Letkukompleksilta 13a menee vielä huohotusletku imuputkeen ja näiden välissä on siis venttiili josta topicin alussa puhuttiin.
Huohotus esiintyy ainakin itselläni reiluna määränä öljyä imuputkessa ja sinisen pöllyttelynä/savutuksena putkesta. Valutin myös ylimääräisen öljyn pois ahtoputkesta kallistamalla autoa samalla toiseen kulmaan. Öljyä tuli noin pari desiä eli olihan sitä siellä ihan kivasti :D
Ulkolaisia foorumeita lukiessa huomaa, että yleisin vika huohotuksessa on rikkoutunut PCV venttiili.
Comment
-
http://www.audizine.com/forum/showthread.php?t=235106
Ratkaisu kaikkiin 1.8t huohotusventtiili ym. kakkaan.
Comment
-
Turbo valskaa aina vähän sitä öljyä... ELi normaalia jos/kun ei ole piiiitkään aikaan availtu.Omasta vm. 98 AEB:stä irroittelin viikonloppuna välijäähyn alaletkun katsoakseni mitä tuo on syönyt, öljyä lorahti ehkä max muutama senttilitra. Normaalia? Tuskin tuota on vähään aikaan (=ikinä) availtu, kun klemmarikin katkesi lähes kosketuksesta.
Comment

Comment