Alkuperäinen kirjoittaja vayne
Näytä viesti
Kuulutus
Collapse
No announcement yet.
DIY: Audi S4 B5 2.7BiT TFSI puolakonversio + ICM delete
Collapse
X
-
Ookoo.
Ihan suht jämysti tuo ainakin tuossa on mutta silti epäilyttää miten ne pysyy sitten paikallaan, kun vakiopuolathan on pulteilla kiinni... Pitäs aamuyöstä turata nuo paikalleen kun toinen sytkävahvistin tuli tiensä päähän ja vaimokkeen pitäs päästä reissuun. Juotoshommia siis lämitystolpan virralla ja otsalampun valossa... Tästä ei voi kun tulla taas yksi menestystarina :D
Comment
-
Ei ollu Esa noi APB koneen piirikaaviot yhtenevät pre-faceliftinkään kaa - tulkkasin että puna/vihreä (T10ar?/4) varmaan syöttö suuttimille ja tuo musta/sininen (T10ar?/1) on puolien syöttö - no on sielläkin muuta perässä kun ei kerran käynnisty jos suoraan poikki laittaa, samoin on maadoitusten kanssa.
No ajattelin joka tapauksessa jakaa kuvan johtosarjasta, sen mitoista (mm) jos se jotakuta jatkossa helpottaa (liite).
Tämä siis uusi johtosarja jolla mennään puolilta suoraan Motronicille, syöttö tuosta edellä mainitusta liittimestä (mu/si) ja maadoitukset imusarjaan ja tulipeltiin alkuperäisten seuraksi.
Näin ollen saa siis alkuperäiset puolan liittimet katkoa pois (sen musta/sininsen karvan varuiksi päälystin kutistesukalla kaikista koska sähköt jäi "päälle" - en halunnut alkuperäistä sarjaa alkaa pilkkomaan enempää ja varmuutta siis sisäisistä haaroituksista ei ole, kun niitä oikeita piirikaavioitakaan ei ole).
Myös MAFfin anturin piuhasta eteenpäin saa toimettomat ICM piuhat poikkaista.
Jälkiviisana voisi tietysti todeta, että noihin puolahaaroihin kun löisi sen 20...25cm lisää mittaa niin saisi kai puolat vielä käännettyä liitin alaspäin - tuskin haittaisi.
Kyllä hävisi rykiminen ja nykiminen B-)
Comment
-
Tämä liittyy samaan aiheeseen, vaikkei biturbo olekaan.
Tein siis TFSI-modin 2.8 ALG moottoriin, kun siitä meni puolapaketti rikki. Halusin samalla päästä tulpanjohdoista (pthyi) eroon, niin tuumasin että laitan sinne nuo puolat. Ja siinä sitten tuli mieleen että minullahan on 3.0 ASN moottorin johtosarja hyllyssä, onneksi, koska se oli kerran jo kaatopaikkakuormassa. Sain siitä johdot ja liittimet, sitten piti vertailla vähän aikaa noiden moottoreiden kytkiksiä että sain sopivat johdot yhteen. Tuossa 2.8:ssa on hukkakipinä, ja sama on nyt sitten myös noilla TFSI-puolilla, mutta eipä se haittaa mitään.
Tuolla on joku jo dokumentoinut samaa hommaa, mutta minulle tuo kytkentä ei sopinut koska vedin johdot etukautta, enkä takakautta. Muuten 1 ja 3 sekä 4 ja 6 sylinterit menee ristiin. Liekö 034 kompastunut samaan juttuun?
Puolat ei aivan sovi reikiin, ne yläpään suojakumit piti ottaa pois. Mutta ne näyttää pysyvän hyvin paikoilaan ihan vaan painamalla ne kiinni tulppiin.
Otin vanhasta puolapaketista liittimen, jonka liitin 3.0 johtosarjaan. Tällä tavalla sain näppärästi irroitettavan paketin, ja alkuperäistä johtosarjaa ei tarvinut rikkoa. Nyt käy hyvin, eikä röpötä. Joskus tuo auto teki vanhoilla puolilla niin, että kun moottorijarrulta alkoi kiihdyttämään, se "puputti" vähän aikaa ennenkuin kaikki sylinterit heräsi. Se oire katosi uusilla puolilla.
Comment
-
Vain 4 ja 6 meni ristiin, ainakin omassa tilaamassa satsissa.Alkuperäinen kirjoittaja okkim Näytä viesti... Muuten 1 ja 3 sekä 4 ja 6 sylinterit menee ristiin. Liekö 034 kompastunut samaan juttuun?
Comment
-
http://www.motonet.fi/fi/tuote/76311...toliitinpihdit
Pystyykö tollasella krimppaamaan noi puolien liittimien MCP-pinnit? Sen silikonisuoja ei mene ihan oikeaoppisesti, kun tuo taittaa sisäänpäin ja oikeissa pihdeissä se jää ympyrän kaarelle.
Comment
-
-
Ajattelin että ei tätä konversiota kukaan muu tee, niin jätin oman dokumentoimatta.Alkuperäinen kirjoittaja okkim Näytä viestiTämä liittyy samaan aiheeseen, vaikkei biturbo olekaan.
Tein siis TFSI-modin 2.8 ALG moottoriin, kun siitä meni puolapaketti rikki. Halusin samalla päästä tulpanjohdoista (pthyi) eroon, niin tuumasin että laitan sinne nuo puolat. Ja siinä sitten tuli mieleen että minullahan on 3.0 ASN moottorin johtosarja hyllyssä, onneksi, koska se oli kerran jo kaatopaikkakuormassa. Sain siitä johdot ja liittimet, sitten piti vertailla vähän aikaa noiden moottoreiden kytkiksiä että sain sopivat johdot yhteen. Tuossa 2.8:ssa on hukkakipinä, ja sama on nyt sitten myös noilla TFSI-puolilla, mutta eipä se haittaa mitään.
Tuolla on joku jo dokumentoinut samaa hommaa, mutta minulle tuo kytkentä ei sopinut koska vedin johdot etukautta, enkä takakautta. Muuten 1 ja 3 sekä 4 ja 6 sylinterit menee ristiin. Liekö 034 kompastunut samaan juttuun?
Puolat ei aivan sovi reikiin, ne yläpään suojakumit piti ottaa pois. Mutta ne näyttää pysyvän hyvin paikoilaan ihan vaan painamalla ne kiinni tulppiin.
Otin vanhasta puolapaketista liittimen, jonka liitin 3.0 johtosarjaan. Tällä tavalla sain näppärästi irroitettavan paketin, ja alkuperäistä johtosarjaa ei tarvinut rikkoa. Nyt käy hyvin, eikä röpötä. Joskus tuo auto teki vanhoilla puolilla niin, että kun moottorijarrulta alkoi kiihdyttämään, se "puputti" vähän aikaa ennenkuin kaikki sylinterit heräsi. Se oire katosi uusilla puolilla.
Kohteena oli 2.4 APS kone ja tein tuon suht samalla tavalla.
Pari eroa, tein johtosarjan itse, tuohon puolan 5-nap liittimeen käytin liittimen 6X0973825 ja puolille meni 8K0973724 ja puolat oli BOSCH 0221604115 (06H905115A).
Tupla kipinä sieltä tosiaan tulee, käytin johtosarjan maadoituksen signaalin maadoitukseen ja vedin syöttön maadoituksen koneen runkoon.
Puolien modauksesta otin kuvat, mutta nyt ovat häviksissä, muokkailen ne tähän kunhan löydän. Mutta kumista piti leikata muutama milli pois, ei muuta ja silti tiivistyi ja lukittuu tulppaan.
Venttilikoppien päälle tulevia muoveja joutui modaamaan, johtosarjasta johtuen, pari senttiä leikkasin alareunasta pois, nyt istuu nätisti.
Ei tule enää radioon mitään häiriöitä.
Comment
-
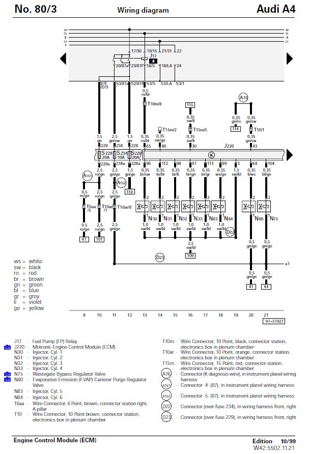
Tässä pitäisi olla oikeat piirikaaviot moottoreille B5 AGB (195kW) ja ASJ (280kW) 1999->
Huom. Nämä kaaviot pätee pelkästään faceliftiin. Scobon lähettämä valokuva liittimistä on prefaceliftistä.
Värjäsin vahvistimien läpi menevän kytkennän samalla tyylillä, kuten ensimmäisen postin kuvassa.
Tarkennetaan vielä että tuosta "50" merkistä lähtee 0,35 sw/bl liittimen T6y/5 kautta vakkarin viikselle
T6y -Steckverbindung, 6-fach, schwarz, neben der Lenksäule
Liitteenä myös suuttimien ja bensapumpun johdotus. Faceliftissä siis suuttimien syöttöjohto tulee saman liittimen (T10ar) kautta. prefaceliftissä se menee eri liittimen kautta.
ot: Onko tosiaan niin, että RS4 bensapumpun sulake on 25A ja johdotus 1,5mm2Viimeksi muokannut tuxo; 1.3.2016, 15:49.
Comment
-
Onko kukaan käyttänyt C5 RS6 puolia konversiossa? Ei tarttis erillisiä adaptereita, puolat saisi ruuvattua kiinni.
Referenssinä tällainen setti:
https://store.034motorsport.com/coil...ire-coils.html
Comment
-
Tässä päässäni koitan hahmotella tuollaista Scobon tekeleen tyylistä alkuperäisen johtosarjan rinnalle vedettävää puolien johtosarjaa.
Mitenkäs tuossa Tuxon linkkaamassa piirikaaviossa tuo D14 haaroitusliitäntä on fyysisesti alkuperäisessä johtosarjassa tehty? T10ar liittimeltä (Junior Power Timer) tulee 2,5mm2 johdin, joka haarautuu puolille 6x1,5mm2 johtimina.
Comment
-
Eikun tarkoitan musta-sinistä (sw/bl) 2,5mm2 johdinta, joka lähtee T10ar liittimen vitospinnistä (T10ar/5) ja joka jotenkin haaroitetaan kuudeksi 1,5mm2 musta-siniseksi johtimeksi puolille (liitos D14). Ja näyttää siitä lähtevän seitsemäskin johdin Eculle ruokkimaan jotakin.
Lähinnä kiinnostaa, että miten ja missä auton alkupräisessä johtosarjassa tuo liitos on tehty, että voisi mahdollisuuksien mukaan apinoida liitäntämetodin suoraan siitä.
Comment
-
Tuo oma rs4, asj koneinen, eroaa Tuxon kuvasta ainakin puolien pinnin 15 kohdalta, koska niihin tulee punavihreä johto. Ecun muovikotelossa oranssin liittimen (t10ar?) pinnistä 5 lähtee kuitenkin mustasininen johto. Pinnistä 1 lähtee punavihreä. Mitenhän tämä nyt menee, voisiko joku räsään muutoksen tehnyt jelppiä?
Comment

Comment