Suuttimet on jo putsattu ?
Kuulutus
Collapse
No announcement yet.
Pissapojan ongelmat
Collapse
X
-
Onkos mitään hajua mihin pinneihin releessä pitäis tulla sähköä kun pissapojan pitäisi ruikkia tuuli lasille? Ongelmana siis on että tuulilasille pumppu ei pyöri mutta takalasille pyörii. Yritän tässä nyt haarukoida, onko rele sökönä vai viiksi.
Pyörii pumppu ilman relettäkin taakse, eli vissiin viiksi sökönä.Viimeksi muokannut RistoEe; 11.11.2014, 19:01.
Comment
-
Missähän on omassa S6:ssa vikaa, nyt reissun päällä huomasin ettei toimi enää pissapoika lasille eikä lampuille.
Viiksestä kun vetää niin jännitemittarissa kyllä huomaa että jännitteet tippuu mutta nestettä ei tule eikä kumpikaan pumppu pidä ääntä.
Pyyhkijät kyllä toimivat kun vetää viiksestä.
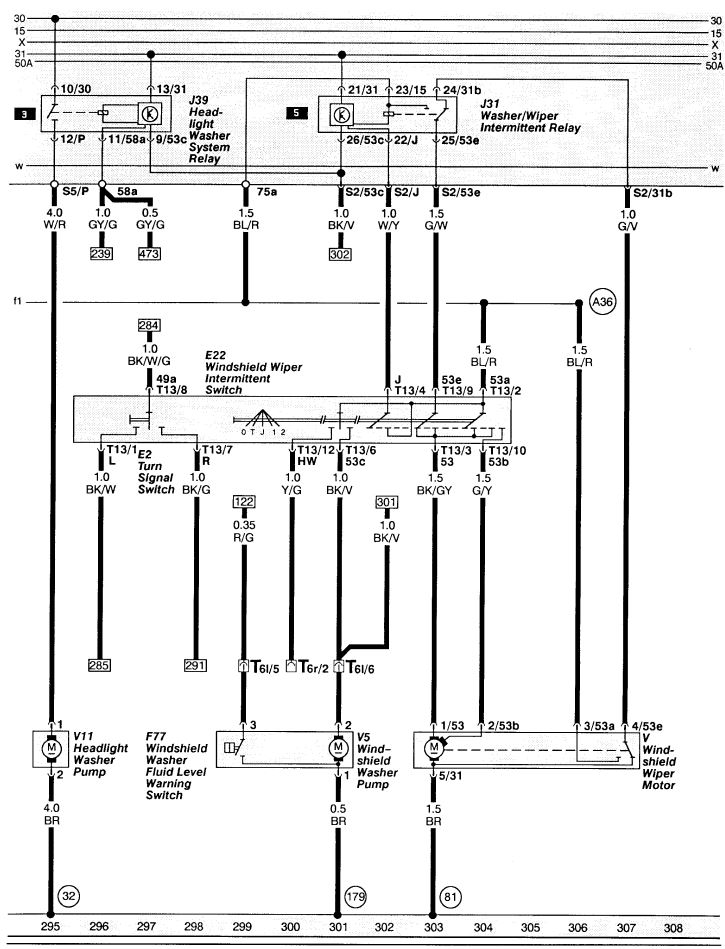
Rupesin netistä löydettyjen sähkökuvien perusteella etsimään tuo releen, mutta sen paikalla on releen sijaan hyppyjohto.
Kumpikin pesuri on tähän mennessä toiminut ilman mitään ongelmia, tuo hyppyjohto on ollut paikallaan ainakin sen 5 vuotta.
Tuntuisi vaan noilla oireilla ettei vika ole pumpussa vaan jossain muualla?
Onko pumpuille omaa sulaketta jossain? En kojetaulun päädystä ainakaan sille sopivaa löytänyt.
Comment
-
Eikös tuossa ole nyt sitten moottoreiden tarvima virta mennyt viiksen kautta? Voi siis hyvinkin olla viiksen kontaktit palaneet, niinkuin tuppaa näissä valoviiksissä käymään.
Comment
-
Millähän numerolla/varaosanumerolla oleva rele tuohon kuuluu?
Löysin sähkökuvia joissa tuo konehuoneen releboksi on Auxiliary Relay Panel 1, ja siellä releen paikka 6 kuuluisi Intensive Washer Pump Relay J75:lle.
Ja kun katsoo ETKAsta, tuolla paikalla pitäisi olla kattoluukun rele.
Voisiko tuo pumpun rele olla sitten tuolla rattiakselin alapuolella? Pitää huomenna kokeilla ottaa tuo hyppyjohto irti ja katsoa mikä laite mykistyy.
Comment
-
Otin tuon hyppyjohdon irti tuolta releboksista. Ei vaikuta kattoluukun tai pyyhkijöiden toimintaan eikä pesurien toimimattomuuteen.
En tuosta kaaviosta aivan itse osaa lukea että miten tuo toiminta menee.
Ilmeiseti nuo kummatkin releet (J31 & J39) ovat kytköksissä toisiinsa ja siten pumppujen käyttöön.
Comment
-
Seuraava ongelma kun edelliset on saatu kuntoon. Lähdettiin joululomareissulle ja iloksi sai matkalla huomata että A6 4F:ssä ei toimi ajovalojen, eikä tuulilasinpesuri. Pyyhkimet kyllä pyyhkii, ei vaan paljon lämmitä suolan lentäessä.
Moottorin ääntä ei kuulu, onko näistä menny moottoreita pesurilta ja miten paskamainen se on purkaa?
Ohjekirja sanoo että sulake nro36 on ajovalonpesurin sulake mutta mistään ei löydy numeroa tuulilasin pesurille, vai onko ne saman sulakkeen takana ja yhdellä moottorilla?
Comment
-
Comment
-
Se pumppu maksaa tarvikkeena 10-20e riippuen ostopaikasta ei varmaan kannata käytettyä laittaa.
Comment
-
Olettaisin viiksien käskyjen menevän eteenpäin, ainakin kun viistä vetää niin pyyhkijät liikkuvat sen muutamat kerrat mutta nestettä ei tule. Vai voikohan ne olla erillään? Oisko kellään tietoa missä sijaitsis pumpun rele? Ei oikein tahtonut löytyä. Niin ja jos joku näin äkkiseltään osaa sanoa mikä se sulake on niin auttaisi myös, tsekkasin kaikki sulakkeet yleismittarilla ja oli ok. Ajattelin onkohan mahdollista ettei koko sulaketta olis jostain syystä kiinni.. Ollut siis mykkä jo auton ostaessa koko pumppu :) Vikakoodeja pääsen vasta toukokuussa lukemaan..
Comment

Comment