Nyt pitää kysyä viisaammilta apua veneen akkujen kytkentään.
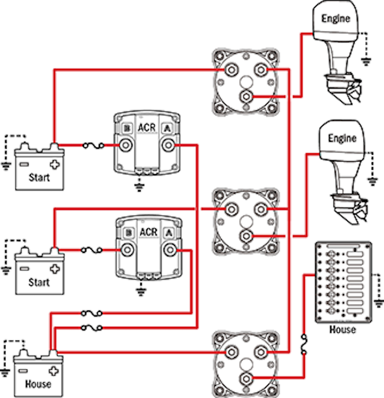
Ihmetellyt minkä takia toinen kone (2) lähtee paljon helpommin käyntiin kuin toinen. Pienen tutkiskelun ja johtojen seuraamisen jälkeen selvisi akkujen kytkentä veneessä eli toisen moottorin saa tarvittaessa käynnistettyä kahdella akulla (pääkatkaisijan asento 1+2) mutta toinen kone käynnistyy ainoastaan yhdellä akulla eikä nykyisellä kytkennällä ole edes mahdollista käynnistää useammalla akulla eli jos ns. viihdeakku jostakin syystä tyhjenee (esim. pilssipumpun tulvakytkimet on kytketty viihdeakkuun) niin en saa toista konetta käyntiin eikä toinen kone edes lataa viihdeakkua kuvan mukaisella kytkennällä.
Nyt olisi tarkoitus muuttaa senverran kytkentää että saan moottori 1 käynnistettyä samalla tavalla kuin moottori kakkosen eli tarvittaessa molemmilla starttiakuilla. Tämä temppu pitäisi olla yksinkertainen eli vedän pääkatkaisija ykköseltä uudet johdot starttiakuille samalla tavalla kuin moottori kakkosen kohdalla on tehty. Nyt olen pohtinut että millä tavalla hoidan viihdeakun latauksen.
Yhtenä vaihtoehtona olisi jättää kuvassa näkyvä pääkatkaisija ykköseltä tuleva johto paikalleen viihdeakkuun mutta tällöin ykkösmoottori käyttäisi kolmea akkua starttaamiseen mikäli katkaisijan asento on 1+2. Tästä tuskin on suurempaa haittaa ja saan akun ladattua ykkösmoottorilla. Tarkoitus olisi että viihdeakkua ei käytettäisi koneiden käynnistämiseen ollenkaan. Millaisella kytkennällä saisin viihdeakun ladattua jos nykyinen johto pääkatkaisija ykköseltä poistetaan?
Onko akuille jotakin haittaa mikäli kaksi konetta lataa yhtä aikaa molempia starttiakkuja?
Ihmetellyt minkä takia toinen kone (2) lähtee paljon helpommin käyntiin kuin toinen. Pienen tutkiskelun ja johtojen seuraamisen jälkeen selvisi akkujen kytkentä veneessä eli toisen moottorin saa tarvittaessa käynnistettyä kahdella akulla (pääkatkaisijan asento 1+2) mutta toinen kone käynnistyy ainoastaan yhdellä akulla eikä nykyisellä kytkennällä ole edes mahdollista käynnistää useammalla akulla eli jos ns. viihdeakku jostakin syystä tyhjenee (esim. pilssipumpun tulvakytkimet on kytketty viihdeakkuun) niin en saa toista konetta käyntiin eikä toinen kone edes lataa viihdeakkua kuvan mukaisella kytkennällä.
Nyt olisi tarkoitus muuttaa senverran kytkentää että saan moottori 1 käynnistettyä samalla tavalla kuin moottori kakkosen eli tarvittaessa molemmilla starttiakuilla. Tämä temppu pitäisi olla yksinkertainen eli vedän pääkatkaisija ykköseltä uudet johdot starttiakuille samalla tavalla kuin moottori kakkosen kohdalla on tehty. Nyt olen pohtinut että millä tavalla hoidan viihdeakun latauksen.
Yhtenä vaihtoehtona olisi jättää kuvassa näkyvä pääkatkaisija ykköseltä tuleva johto paikalleen viihdeakkuun mutta tällöin ykkösmoottori käyttäisi kolmea akkua starttaamiseen mikäli katkaisijan asento on 1+2. Tästä tuskin on suurempaa haittaa ja saan akun ladattua ykkösmoottorilla. Tarkoitus olisi että viihdeakkua ei käytettäisi koneiden käynnistämiseen ollenkaan. Millaisella kytkennällä saisin viihdeakun ladattua jos nykyinen johto pääkatkaisija ykköseltä poistetaan?
Onko akuille jotakin haittaa mikäli kaksi konetta lataa yhtä aikaa molempia starttiakkuja?

Comment