Autocheck ei tiedä pitkistä valoista tuon taivaallista, joten niille riittää hyvin yksi rele.
Kuulutus
Collapse
No announcement yet.
Ajovaloille releet+paremmat johdot?
Collapse
X
-
Juu yhtä käytin ja vain toisella puolen. Kävin hakemassa lisää releitä ja huomenna pitää koittaa sitten kummallekin puolen omilla releillä. Tuskin tuo minun Autocheck on erilainen, kuin muilla, että kyllä kai sen pitäs lopettaa kitinät.
Comment
-
Oikeilla jäljillä, itse asiassahan kaikki sähkölaitteet toimivat sinertävällä savulla. Ko. savun poistuttua laitteesta, ei laite enää toimi.Eräs kaveri totesi joskus osuvasti: "Sähkö on sinistä ja se sattuu."
Insinööritiedon mukaan jääkaapit ja pakastimet käyttävät miinussähköä ja esim. sisätilalämmittimet ja lämpöpatterit plussähköä, MOT.
Comment
-
Opeleihin taasen asennellaan tämmöisiä systeemejä jotka toimivat hieman päinvastaistoin kuin reletetyt ajovalot... (lainaus opel foorumilta)
Opel Astra G ajovalon jännitteen alentimen toiminnasta, tiedoksi muillekkin
Hinta 9,50? kpl, Autobest Jkl
Sisältää n.2,5m ohutta muovipällysteistä kuparijohtoa (paksuus suunnileen puolet alkuperäisestä johdosta) tungettuna muoviputkeen
,katkaistaan valojohto, liitetään siihen väliin, liitos johtoon tinaamalla
toiminnasta
Auto käynnissä tyhjäkäynnillä, vastus paikoillaan
Akku 14,56V
lampun virran kulutus n. 4A
Lamppu 13,73V
vastukseen jää n. 0,4V
auton omiin johtoihin jää n. 0,4V
vastuksen koko mittaamalla 0,2-0,3 Ohmia
valot eivät heikentyneet silmämääräisesti
Helppo tehdä itsekkin, sopivan pitkä patkä johtoa johon jää 0,4V jännitettä
Comment
-
Ihan ymmärrettävä juttu tuokin, jos ei ole varaa uusia polttimoita tiheästi. Kunnon johdotukset, kun tarjoavat polttimoille himpan enemmän jännitettä kuin mihin polttimovalmistaja on varautunut. Esimerkiksi vision plus on juurikin "tehty" huonoille systeemeille, joten elinikä ei kunnon johdotuksilla ole järin pitkä. Valoa sen sijaan tulee kyllä hyvin!
Comment
-
-
Noniin. Nyt on joka valolla oma rele ja yllätys oli suuri, kun Autocheck jatkaa natisemistaan valoista. Ei tullut sinäänsä yllätyksenä, osasin varautua siihen, että ei se kuiteknaan toimi. Kytkennät olen tehnyt Razurin ohjeiden mukaan ja herätteet olen ottanut alkuperäisistä lampun kannoista h4 polttimon pistokkeista tehdyllä liittimellä, joista lähtee pitkien ja lyhyiden herätteet. Valot kyllä palavat jne, mutta Autocheck natisee. Nyt sitten kaipaillaan hyviä neuvoja tai ostajaa valmiille relesarjalle.
Comment
-
Vaihtoehtoja on muutama. Ota pois pottimotunnistinrele, korvaa sen nastat hyppyjohdoilla, hoksaat kyllä mitkä (L = L, R = R) tai sitten katkaiset tai irroitat ko. purkilta lähtevän K-karvan. Tai sitten vedät valoviikseltä lyhyiden johdon suoraan releille vetovirraksi ohittaen AC-jutut.
En yllättynyt, että AC ei oikein ole tyytyväinen, jos kuormana on vain releet.
Comment
-
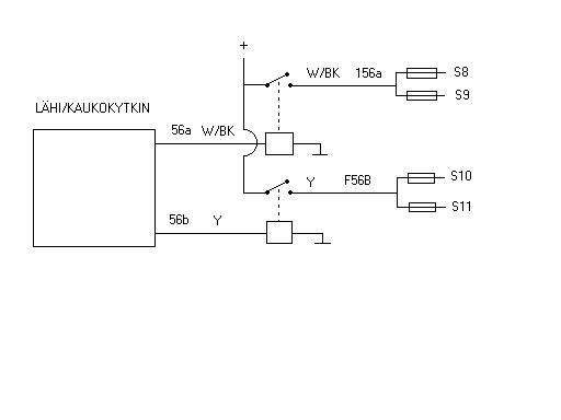
Luulen löytäneeni sen purkin http://www.zippyimages.com/files/747/DSCF1582.jpg
Aikani pähkäiltyäni tulin seuraavaan tulokseen hyppylangoista http://www.zippyimages.com/files/746/DSCF1585.jpg , ovatko oikein? Sitten ympyröitynä on nasta, jonka käsitän olevan sen K-nastan, josta lähtevän johdon voi katkaista?
Comment
-
-
Ihan ooppeliin sopiva ratkaisu, ei juuri huononna merkin mainetta entisestään...
Mitä järkeä on tiputtaa polttimoille menevää jännitettä, jos ei haluta valotehon laskevan ja kun alennus ei tuota edes merkittävää sähkönsäästöä!
Jos tarkoitus on säästää ajovalopolttimoita, tuolla on ehkä marginaalinen hyöty. Yleensä suositellaan polttimoiden vaihtoa kerran (jopa kaksi) vuoteen -vaikka eivät olisi palaneetkaan, koska polttimot "väsyvät" vanhetessaan.
Saabilla oli jo -70 luvulla alennetulla jännitteellä toimivat lähivalot -jännitteenalennus oli reilu, sillä tavoite oli sekä polttimoiden että virransäästö. Saabissahan valot olivat päällä aina auton käydessä -eivät sammuneet edes startatessa (toisin kuin VAG -vehkeissä), mikä rasittaa valoja.
Käsittääkseni monessa uudessa autossa on vastaava toiminto: puolikkaat ovat päällä virran kytkennän jälkeen pienemmällä jännitteellä ja isomman valon tarpeen huomaa pimeän tulle esim. siitä, että mittarivalot eivät pala -on aika kääntää valokatkaisijaa.
Comment
-
Minkähän laista sitä K-karvaa pitkin menee maa vai +12V, vai meneekö mitään kun lamput on kunnossa? Jos tekee ne hyppylangat, niin pitääkö siihen K:hon kin vetää lanka jostaki? Kokeilin ko releenkin poistamista, ei auttanut :)
Comment
-
....mutta hei!
Tämä keskustelu on rönsyillyt suuntaan ja toiseen oikein mukavasti. Asia koskettelee ilmiselvästi useaa meistä, joten pistetään kommentti täältä "juuri audiklubiin liittyneitten osastolta".
On tullut ajateltua asiaa useampaan otteeseen erinäisten auton/muitten virtavalvontojen kanssa...tuli mieleen käsittämättömän yksinkertainen versio muutoksesta: rinnakkaissyöttö!
Eli:
Säilytetään alkuperäinen polttimoiden kaapelointi valvontojen ja muutenkin kytkentöjen yksinkertaistamisen takia orkkiksena. Polttimoiden lähelle tehdään "haarotus" johon kytketään erilliset releohjauksin katkottaavat suoraan akulta/laturilta tulevat kaapelit.
Sähkötekniikkaan/oikosulkuasennukseen (näihin liittyy se surullisenkuuluisa sininen savu,jota toisella nimellä kutsutaan sähköksi) perehtyneet tietävät, että sähkö kulkee helpointa reittiä, eli tässä tapauksessa lampuille tuleva jännite nousee.
Kyseessä itse asiassa 1:1 tilanne kuin auton starttaus apusähköllä. Siihen lisäyksenä se, ettei potentiaalieroa (siis tyhjän ja rinnakkaissyöttöisen akun välillä) ole lisätyhjentämässä "syöttävää akkua".
Tässäkin tilanteessa tulee tietenkiin ottaa huomioon syöttökaapeleissa syntyvä jännitehäviö->piuhan poikkipinta tulee olla riittävä.
Lisäksi kommentti polttimoiden kestoaika vs. jännite keskusteluun:
Ei ole itsestäänselvyys, että polttimon käyttöikä aina lyhenisi jos jännite kasvaa. Suurin osa autoissa käytetyistä polttimoista ei ole todellakaan suunniteltu juuri 12VDC nimellisjännitteelle,vaan lähemmäksi 14V nimellisjänitettä (asian voi tarkistaa valmistajan spekseistä). Liian alhainen jänniten "mustaa" halogeenipolttimoa, koska suojakaasun/lampun lämpötila ei ole tarpeeksi korkea.
Jos taas jännite on hieman liian suuri, riittävä ilmanvaihto auttaa kompensoimaan polttimon langan käyttöiän kanssa. Jos käytetään normaaliwattimäärällä olevia polttimoita, eikä mitään 100-150W-tavaraa, jäähdytys/ilmanvaihto ei ole ongelma.
Tulipahan kirjoitettua melkein romaanimittainen kommentti. Toivottavasti jaksoitte lukea :o) .
Comment
-
Hyvä pointti. Enpä tosiaan kirjoittanut mitään tarkempaa rinnakkaissyötön releohjauksen toteuttamisesta. Jos ehdotelmani saa lisää innostusta voisin vaikka hieraista piirikaaviokuvat (liitinnumeroita en kyllä saa lisättyä, koska en omista sähköistyskuvia keskusteltuihin tai edes oman Audini sähköihin). Onko kenelläkään hyvää linkkiä mistä moisia voisi etsiä?
Tuosta releohjauksesta vielä:
Ohjauksen voi ottaa alkuperäisen valoreleen (lyhyet, pitkät) ohjauksen rinnalta. Releen pitopiiriä ei ole käytössä alkuperäisessäkään kytkennässä, eikä ole tarkoitus käyttää sysäysrelettä.
Jos kommenttini alkuperäisestä valo-ohjauskytkennästä ei mielestänne pidä paikkansa, vihelletään peli poikki ja tehdään uudet sähköistysehdotelmat. Miten on?
Comment
-
Porukka puhuu 100w lampuista... mitä ihmeen vehkeitä noi on? Ja mistä moisia saa?
Eihän nuo +30% valotehoa systeemit ole kuin normaaleja 55w?
Ja ei niin tärkeä kysymys: onko edes laillista laittaa tehokkaampia lamppuja..? :)
Ja kommenttina ihan asiaan:
Voin kyllä sanoa että todella hienosti parani valoteho. Kostealla kelillä näytti samalta kuin aiemmin normaalisti.. ja normaalilla kelillä huomattavasti paremmalta.
Comment
-
Totta, 100W polttimoita (ja jopa 150W) käytetään melko yleisesti esim. ralliautojen erillisvalosarjoissa. Samoja polttimoita ollaan asennettu katuautoihinkin, varsinkin esim. irmsher-erillisvalosarjoihin....laittomiahan ne ovat, senhän tietää Erkkikin. On niillä silti kiva kurvailla pimeitä sorarännejä pitkin :o)
Kyseiset polttimot vaativat huomattavan paljon suuremman umpion kuin normi 55W polttimot. Tavallinen umpio mustuu ja pahimmassa tapauksessa sulaa muodottomaksi, tai pahimmassa tapauksessa lasi räjähtää tuusan nuuskaksi...ei siis suositeltavaa kokeilla. Poliisisedät antavat tuntuvat rapsut kyseisille harrastelijoille....
Comment
-
Pari vuotta sitten kun 40v vanhan Land Roverini virtalukko/valokytkin suli 500km pitkät päällä -ajon jälkeen päädyin tekemään siihen releytyksen ja tuloksena valot ovat kirkkaammat kuin Audissani. Tietty siinä on myös halogeenit alkuperäisten kynttilöiden tilalla. Tein homman tee-se-itse -tyyliin eli ostin releet, kannat, sulakkeet jne. irtokamana.
Eilen illalla kiroilin sitten Audini kehnoja lyhkäsiä, kaipaisi sekin kirkkaampia valoja mutta luettuani tämän keskustelun läpi jäi kuitenkin vielä vähän epäselväksi, että voiko H1 linssivaloja releyttää? Jos voi niin voiko niihin soveltaa BT satsia vai kannattaako tässäkin tapauksessa itse kasa satsi?
Comment
-
Jea.
Nyt on releet lyhyillekin. Kokosin itse paikallisesta bromanin varaosaliikkeestä kahden releen paketin noille lyhyille ja tuli maksamaan kaikkineen 11e (kaksi relettä, 7m piuhaa, abikoja, kaksi sulakeboxia)
Ja taas tein niin että toinen valo valmiiksi ja toinen vanhoilla johdoilla. Kas kas ja taas näkyi silminnähtävä ero. Eli oli tästäki operaatiosta muutaki hyötyä ku viiksen säästö :)
1.5h meni koko operaatiossa.
Comment
-
Reletykset laitettu ja taas futaa type 44 valot. Oli se viiksen vasemmanpuoleisen 14-napaisen liitäntäplugin lyhyiden valojen syöttöpiuhan (keltainen) liittimen ympäristö saanut lämpöä ja kontakti sutta. Viiksi oli kunnossa. Cruisen 1 naru oli poikki ja korjattiin se samalla.
Korjaus tehtiin putsaamalla liittimestä sulanut muovi, puristettiin vanhaa abicoa hieman tiukemmalle ja releóhjaukseen siirtyminen. Kaveri neuvoi kytkemään releet heti viiksiliittimen jälkeen (mittariston taakse = tilaa on hyvin! ) ja siihenhän ne saikin kohtuuvaivalla. Laitoimme lyhyille yhden releen ja pitkille toisen. Todennäköisyys, että molemmat releet menevät rikki samaan aikaan on hyvin pieni. Lisäksi valojen sähköpiirissä pahat häviöt tulevat sen viiksikytkimen yli ja orkkis johto sinällään on kohtuu riittävää siihen nähden, että kytkentä nopea. Eli helpolla hyvä lopputulos ja releet suojaisassa kuivassa paikassa. Virtasyötöt otettiin sulakerasian pohjasta. Releet 30A kestolla, joten eivät todennäköisesti vikaannu ihan äkkiä.
Laittamalla reletyksen heti kytkimen jälkeen, vanhat sulakkeet ok ja valo check toimii kuten ennen.
KISAHAASTE Tepon kommenteista:
Eli mitataan jännitteet töpseliltä: lähi/pitkä + akkujänite
Jännitemittaussarjat kisailijoille
- tehtaan valokytkentä
lähi/akkujännite
pitkät/akkujännite
- quick and dirty reletys heti valokytkimen jälkeen
lähi/akkujännite
pitkät/akkujännite
- pitkällä kaavalla tehdyn (laturilta megatouvit liki lamppuja + releet):
lähi/akkujännite
pitkät/akkujännite
Mittaustilanne:
- Kone tyhjäkäynnillä; akun jännite V ; jännite polttimokannalta valokuormalla tai ilman valoja jos ei muuten onnistu
Laittakaapas jännitemittauksienne tuloksia tähän galluppiin ja mainitkaa Auto samalla !!!
Comment
-
Viikonloppuna reletin sedanin valot ja laitoin uudet umpiot ja Philipsin hipihienot "3 in 1"- polttimot. Nyt näkee ajaa.
Polttimoista en oikein tykkää. Philipsin "perus"- Clear Visionit ovat mielestäni paremmat, noissa on aika sekava valosävyjen sekamelska, varsinkin kun kahden keilan värit sekoittuvat.
Comment
-
Itsekin laitoin noi Philipsin NightGuidet nyt kun talvi tuli tänne Etelä-Pohjanmaallekin. En myöskään pidä tuosta sävyjen sekamelskasta, ajatus on periaatteessa hyvä, mutta kellertävä valo, joka suuntautuu keilan vasempaan laitaan, on turhan himmeä. Lisäksi kun nuo sävyt sekoittuvat keilojen mennessä päällekkäin, on lopputulos sekava. Mitkä polttimot olisivat tasaisen kirkkaat?
Comment

Comment