Tuossa käsillä kun sattuu olemaan tuollainen kohtuu fiksun näköinen LED-huomiovalosarja, niin kait sitä voisi koittaa säveltää kiinnikin ja katsoa miltä näyttävät. Kohteena A4 B5 alkuperäisillä xenoneilla, ei minkään maailman valoautomatiikkaa tällä hetkellä. Kytkentä on nyt hiukan hakusessa itsellä, eli miten saisi seuraavanlaisen toiminnan:
-virrat päälle (tai auto käyntiin) -> huomiovalot, parkit ja rekisterikilven valot palamaan
-parkkiasento kytkimestä -> alkuperäinen parkkitoiminto, eli mittarivalot, parkit ja rekisterikilven valot, EI HUOMIOVALOJA tähän asentoon
-valot kytkimestä -> ajovalot ym. päälle normaalisti, huomiovalot pois päältä
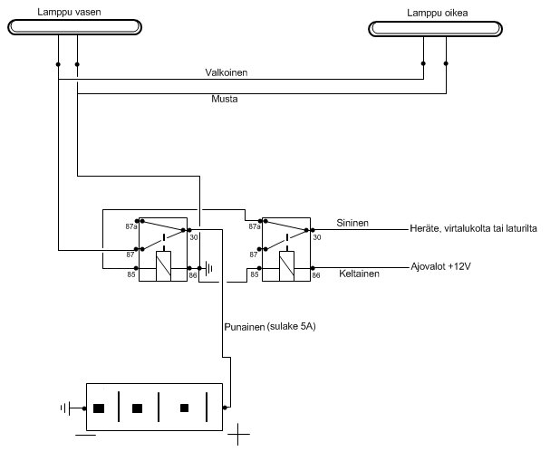
Valojen mukana tulleessa johtosarjassa on kaksi viisinapaista relettä:
1. rele
30= +12V, 5A sulake välissä
87= valoille lähtevä +12V
87a= tyhjä
86= maa
85= hyppy toisen releen 87a-liittimeen
2. rele
30= virtalukolta tai laturilta heräte koko systeemille
87= tyhjä
87a= hyppy toisen releen 85-liittimeen
85= hyppy toiseen releen 86-liittimeltä, valoille maa
86= heräte ajovaloilta, joka sammuttaa huomiovalot
Ongelmana nyt siis lähinnä se, miten saadaan parkit ja rekisterikilven valot syttymään eli mihin tuon 1. releen 87-karva haaroitetaan, sekä se miten huomiovalot saadaan sammumaan parkkiasennossa (tämä ei ole kyllä pakollinen, mutta toivottava feature).
Kaikkein helpoinhan olisi, kun tuon toisen releen 30-karvan ottaisi parkeilta, jolloin parkkiasennossa toimisi huomiovalot ja ajovaloasennossa huomiovalot sammuisivat, mutta kun tarkoitus oli jotain valoautomatiikan tynkää saada aikaan... Itsellä loppuu ajattelukyky sähkön kanssa aika lyhyeen, joten jos joku viitsisi hieman syventyä?
Edit: lisätty oma räpellyskuva kytkennästä joka tällä hetkellä on voimassa
-virrat päälle (tai auto käyntiin) -> huomiovalot, parkit ja rekisterikilven valot palamaan
-parkkiasento kytkimestä -> alkuperäinen parkkitoiminto, eli mittarivalot, parkit ja rekisterikilven valot, EI HUOMIOVALOJA tähän asentoon
-valot kytkimestä -> ajovalot ym. päälle normaalisti, huomiovalot pois päältä
Valojen mukana tulleessa johtosarjassa on kaksi viisinapaista relettä:
1. rele
30= +12V, 5A sulake välissä
87= valoille lähtevä +12V
87a= tyhjä
86= maa
85= hyppy toisen releen 87a-liittimeen
2. rele
30= virtalukolta tai laturilta heräte koko systeemille
87= tyhjä
87a= hyppy toisen releen 85-liittimeen
85= hyppy toiseen releen 86-liittimeltä, valoille maa
86= heräte ajovaloilta, joka sammuttaa huomiovalot
Ongelmana nyt siis lähinnä se, miten saadaan parkit ja rekisterikilven valot syttymään eli mihin tuon 1. releen 87-karva haaroitetaan, sekä se miten huomiovalot saadaan sammumaan parkkiasennossa (tämä ei ole kyllä pakollinen, mutta toivottava feature).
Kaikkein helpoinhan olisi, kun tuon toisen releen 30-karvan ottaisi parkeilta, jolloin parkkiasennossa toimisi huomiovalot ja ajovaloasennossa huomiovalot sammuisivat, mutta kun tarkoitus oli jotain valoautomatiikan tynkää saada aikaan... Itsellä loppuu ajattelukyky sähkön kanssa aika lyhyeen, joten jos joku viitsisi hieman syventyä?
Edit: lisätty oma räpellyskuva kytkennästä joka tällä hetkellä on voimassa

Comment