1.) Käykö B6:een esimerkiksi A6:n tai vanhemman B5:n ratti? Tarkoitus olisi vaihtaa alkuperäinen muoviruori reikänahkaiseen kolmipuolarattiin ja esim. Ebay.de on pullollaan sopivia ratteja, joiden osanumero alkaa 4B XXXX. Käykö tällainen vai pitääkö ratin osanumeron olla nimenomaan 8E XXXX? Airbagin johtoja en rupea muuttamaan, joten B7:n ja uudemman TT:n ratit eivät taida tulla kysymykseen kaksivaiheisine tyynyineen. Vaatiiko alkuperäinen A4:nkin 3-puolainen ratti uuden luistorenkaan (slipring)? Toinen vaihtoehto on asentaa monitoimiratti.
2.) Tummentuva taustapeili olisi todella kätevä varuste ja itse peili suhteellisen halpa Ebaysta. Tarvitseeko peilin asennus muuta kuin uuden tummentuvan peilin ja sille virtajohdot, vai onko peili kytketty väylään? Jossain oli ohje peilin asennukselle, jossa samalla asennettiin automaattiset päivävalot, mutta en löydä ohjetta enää.
3.) Onko Avantin tavaratilaan saatavilla jonkinlaista kuormaverkkoa tai esimerkiksi sivupaneeleihin "turvavyötä", jolla kauppakassit saisi pysymään paikoillaan?
4.) Tarkoitus olisi vaihtaa keskikonsolin korttiteline nappirivistöön. Muistaakseni nappeja oli saatavilla myös STAND-tekstillä? Onko kenellekään ko. napille osanumeroa? Ajattelin liittää Eberin käynnistysnapin tähän. Samoin kiinnostaa valaistun mukitelineen osanumero.
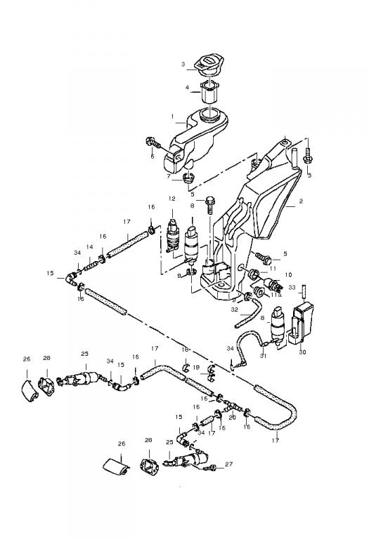
5.) Minkälainen homma olisi jälkiasentaa alkuperäiset lampunpesimet kun Günther oli jättänyt mokomat pois varustelistalta? Ilmeisesti näille tarvitsee johtosarjan, jota Kufatec myy, pesuripumput ja niiden suojamuovit puskuriin sekä tietysti reiät puskuriin. Onko nestesäiliö sama pesureilla ja ilman pesureita olevissa autoissa? Ilmeisesti pesurit pitää vielä koodata käyttöön VAG-COM:lla vai ruikkivatko ne joka kerta kun lasinkin pesee?
2.) Tummentuva taustapeili olisi todella kätevä varuste ja itse peili suhteellisen halpa Ebaysta. Tarvitseeko peilin asennus muuta kuin uuden tummentuvan peilin ja sille virtajohdot, vai onko peili kytketty väylään? Jossain oli ohje peilin asennukselle, jossa samalla asennettiin automaattiset päivävalot, mutta en löydä ohjetta enää.
3.) Onko Avantin tavaratilaan saatavilla jonkinlaista kuormaverkkoa tai esimerkiksi sivupaneeleihin "turvavyötä", jolla kauppakassit saisi pysymään paikoillaan?
4.) Tarkoitus olisi vaihtaa keskikonsolin korttiteline nappirivistöön. Muistaakseni nappeja oli saatavilla myös STAND-tekstillä? Onko kenellekään ko. napille osanumeroa? Ajattelin liittää Eberin käynnistysnapin tähän. Samoin kiinnostaa valaistun mukitelineen osanumero.
5.) Minkälainen homma olisi jälkiasentaa alkuperäiset lampunpesimet kun Günther oli jättänyt mokomat pois varustelistalta? Ilmeisesti näille tarvitsee johtosarjan, jota Kufatec myy, pesuripumput ja niiden suojamuovit puskuriin sekä tietysti reiät puskuriin. Onko nestesäiliö sama pesureilla ja ilman pesureita olevissa autoissa? Ilmeisesti pesurit pitää vielä koodata käyttöön VAG-COM:lla vai ruikkivatko ne joka kerta kun lasinkin pesee?

Comment